• 方案介绍
  • 附件下载
  • 相关推荐
申请入驻 产业图谱

SL8702 ESSOP10 6.5-75V 10A以内 外扩MOS管 降压恒流

10/05 13:24
511
加入交流群
扫码加入
获取工程师必备礼包
参与热点资讯讨论

索要详细资料请联系.png

共1个文件

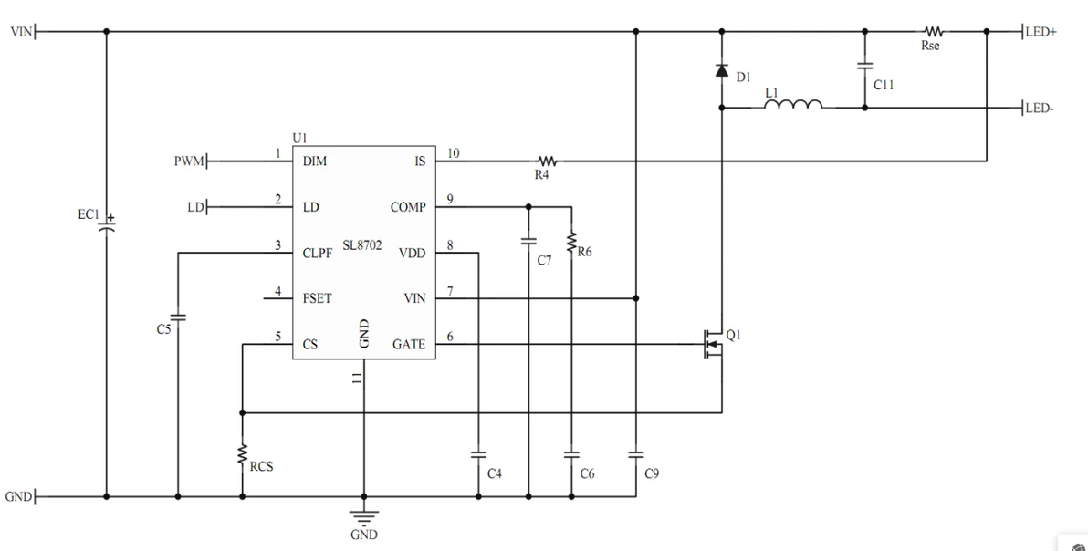
SL8702 是一款功能强大的 LED 恒流驱动器,专为宽调光比、无频闪的 LED 照明应用设计。其特点包括简洁的外围电路设计、宽输入电压范围(6.5-75V)、高效率和多种调光方式,使其非常适合于商业、智能照明以及需要精细调光的 LED 应用场景。

以下是 SL8702 主要特性的详细解析:

宽调光比与无频闪:支持高达 100:1 的调光比,意味着可以从几乎完全关闭到最大亮度进行平滑调节。调光全程无频闪,提供舒适的视觉体验,特别适用于需要高质量照明的场所。

PWM 调光:支持 PWM 调光,适用于需要精确控制亮度的应用。支持 100Hz 以上的调光频率,确保调光过程平稳无闪烁。当 DIM 引脚被拉低到 GND 超过 40ms 时,芯片自动进入休眠模式,以降低功耗(待机电流 < 80uA)。DIM 引脚内置上拉电阻,方便使用。

模拟调光:LD 端口支持模拟调光,通过改变 LD 端口的电压(0~1.8V)来控制最大输出电流,实现亮度调节。LD 端口接电容到地可以设置软启动时间,避免启动时的电流冲击。

高效能与稳定性:转换效率 > 95%,有助于减少能耗和热量产生。负载调整率 < ±0.5%,确保在不同负载条件下输出电流的稳定性。支持调光频率超过 32KHz,适用于高频调光应用。

灵活性与扩展性:支持开关频率设置,可根据应用需求调整。支持 PWM 转模拟/模拟调光,提供多种调光方式选择。内置 80V LDO 供电,简化电源设计

保护机制:内置过温保护降电流功能,当芯片温度过高时自动降低输出电流以保护 LED 和驱动器本身。

封装与精度:采用 ESSOP10 封装,便于 PCB 布局和自动化生产。恒流精度 ≤ ±3%,确保 LED 亮度的准确性。

应用场景:适用于商业 LED 照明、智能照明系统、0~10V 调光系统、Dali 调光系统等多种应用场景。低待机功耗和多种调光方式使其成为现代照明系统的理想选择

说明

SL8702是一款外围电路简洁的宽调光比无频闪降压调光 LED 恒流驱动器,适用于 6.5-75V 输入电压范围的LED 恒流照明领域。

SL8702 PWM 调光支持高辉应用,支持 100Hz 以上的调光频率,分辨率超过 100:1,调光全程无频闪。

当 DIM拉低到 GND 超过 40ms,芯片自动进入休眠模式以降低功耗,此时待机电流<80uA,当DIM 端口拉高以后芯片重新启动。DIM 管脚内置上拉,不使用时可以悬空。

SL8702 LD 端口支持模拟调光,调光范围 0~1.8V,应用于最大电流设置。LD 端口接电容到地,可以设置软启动时间。

SL8702内置过温保护降电流,采用ESSOP10封装。

特性

  • 工作电压范围 6.5-75V
  • 支持 100:1 调光比
  • 转换效率>95%
  • 负载调整率<±0.5%
  • 恒流精度≤±3%
  • 低待机功耗
  • 调光无频闪
  • 输出电流范围≤10A
  • 支持软启动
  • 支持调光频率超过 32K
  • 支持开关频率设置
  • 支持 PWM 转模拟/模拟调光
  • 内置 80V LDO 供电
  • 过温保护降电流
  • 封装:ESSOP10

应用领域

  • 0~10V 调光
  • Dali 调光
  • 智能照明
  • 商业 LED 照明

原理图

李生:13760325070,QQ:2355368872

  • 索要详细资料请联系.png
    下载

相关推荐