• 方案介绍
  • 附件下载
  • 相关推荐
申请入驻 产业图谱

SL8700支持高辉共阳调光,无频闪无噪音,多路共阳,调光深度0.1%

10/03 15:34
308
加入交流群
扫码加入
获取工程师必备礼包
参与热点资讯讨论

索要详细资料请联系.png

共1个文件

SL8700是一款高效、稳定的LED调光驱动器,它支持高辉共阳调光。高辉共阳调光是一种先进的调光技术,它通过调节LED灯的正向电流来实现亮度的调节,从而实现了无频闪无噪音的调光效果。这种调光方式不仅提高了LED的使用寿命,还为人们提供了更加舒适的光环境。

SL8700采用多路共阳设计,可以同时驱动多路LED灯,实现更加灵活的照明布局。同时,它还支持调光深度高达0.1%,这意味着您可以更加精细地调节LED灯的亮度,从而更好地满足不同的照明需求。

除此之外,SL8700还具有其他多种实用的功能。例如,它支持PWM脉冲宽度调制)和模拟调光两种调光方式,用户可以根据实际需求选择适合的调光方式。此外,SL8700还具有过温保护、过流保护等多重保护功能,确保了LED灯的安全、稳定运行。

总之,SL8700是一款功能强大、性能稳定的LED调光驱动器,它支持高辉共阳调光、多路共阳设计、调光深度高达0.1%等特点。这些特点使得SL8700在LED照明领域中具有广泛的应用前景,它可以为人们提供更加舒适、健康的光环境,同时也为LED照明产业的发展做出了积极的贡献。

概述:

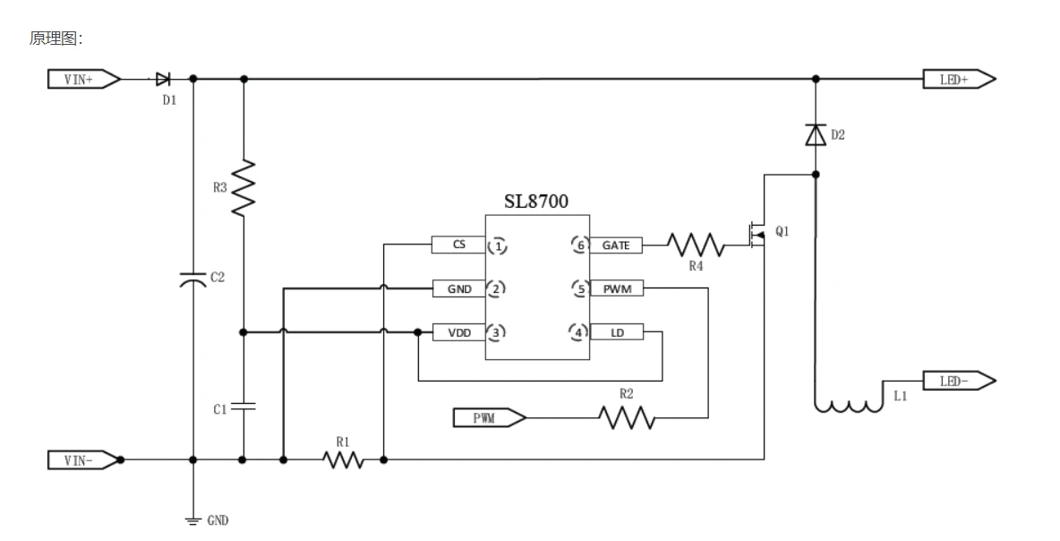
SL8700 是一款外围电路简单的多功能平均电流型LED 恒流驱动器,适用于宽电压范围的非隔离式大功率恒流LED 驱动领域。

芯片PWM 端口支持超小占空比的PWM 调光,可响应最小60ns脉宽。PWM 端口为高电平时,芯片正常工作。为低电平时,芯片输出关闭。

芯片输出电流恒流精度 ≤±3%,且输出电流受输入输出电压、系统电感的影响小;芯片内部集成环路补偿,外围电路简洁,系统更加稳定可靠。

芯片通过对LD 端口实现模拟调光功能。LD 接0.2-1.2V 模拟调光信号输入时,系统为模拟调光模式。LD 模拟调光模式时,端口电压低于0.2V,输出关闭。也可以利用LD 的模拟调光特性,配合PWM 调光,实现软启动功能。

LD、PWM 引脚悬空时,建议与VDD 引脚短接在一起使用。

特点:

  • 支持高辉调光,调光比65536:1
  • 平均电流工作模式
  • 高效率:最高可达95%
  • 输出电流可调范围60mA~5A
  • 内置5V 稳压管
  • 外驱MOS
  • 最大工作频率1MHz
  • 恒流精度≤±3%
  • 支持PWM/模拟调光
  • 支持多路共阳极输出
  • 调光深度可达0.1%
  • 封装:SOT23-6

应用领域:

  • 景观亮化洗墙灯
  • 舞台调光效果灯
  • 高端汽车照明
  • LCD 背光照明
  • 建筑照明

原理图:

李生:13760325070,QQ:2355368872

  • 索要详细资料请联系.png
    下载

相关推荐