• 方案介绍
  • 附件下载
  • 相关推荐
申请入驻 产业图谱

【物联网毕设】智慧民宿环境监测-STM32+APP+MQTT

08/28 10:29
533
加入交流群
扫码加入
获取工程师必备礼包
参与热点资讯讨论

联系方式.docx

共1个文件

前言

摘要:该系统由STM32微控制器为核心的硬件端和APP端组成,通过WiFi/MQTT协议实现智能环境监测。硬件集成温湿度、火焰、人体红外、有害气体等传感器,搭配执行器实现自动调控(空调/加湿器/风扇)和声光报警。APP端提供数据可视化、阈值设置及远程控制功能,支持一键布防人体监测。开发采用Android Studio开发APP,需连接指定WiFi热点(NET/12345678)进行通信,配套提供程序架构、PCB设计及演示视频资源。系统适用于智慧家居环境监控场景,完整项目资料可通过指定网盘链接获取。

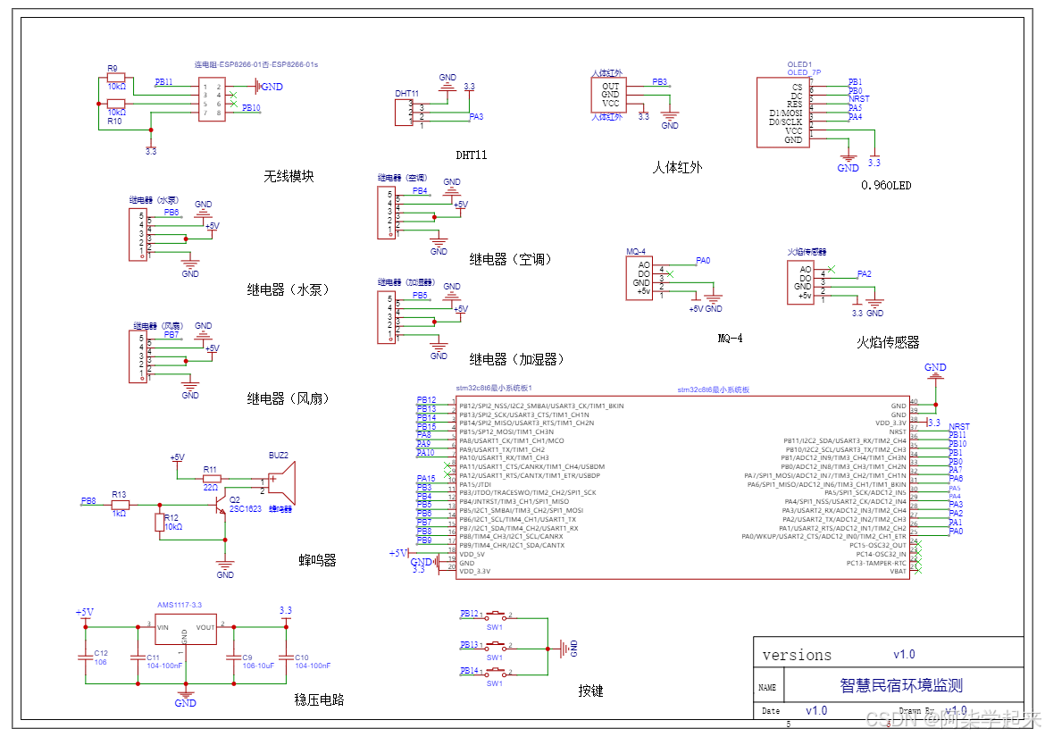
一 连线图

1 原理图


2. 开发板本身自带一个LED ,这个LED作为我们查看网络连接状态和获取数据状态的说明

(1)首先需要打开我们的WIFI热点让设备进行联网操作,看到显示数据界面,即可进行下一步功能测试

(2)硬件每隔几秒会向APP传输一次数据。

热点名字:NET密码:12345678,请使用2.4GHZ频率的无线网。

2 PCB效果


关注微信公众号--星之援工作室 发送关键字(项目清单)
可获取项目清单资料

????


????(本文章仅提供思路和实现方法,并不包含代码,需要代码的同学请自行联系博主)

????(有疑问或需要定制或者技术支持等,也请自行联系博主)????


3 实物效果

4 APP效果

5 功能概括

(1)硬件端

  1. ESP8266-01s:使用wifi模块进行联网使用;
  2. 0.96寸OLED:用于显示的设备的状态,实现实时监测;
  3. STM32F103C8T6:用于所有程序的中控和模块数据通信
  4. 温湿度传感器DHT11):用于检测环境的温度和湿度;
  5. 火焰传感器:实时监测家居环境是否有明火,当检测到家居环境出现明火,蜂鸣器报警提醒
  6. 人体红外传感器:用于检测人体是否有人存在;
  7. MQ-4:用于检测环境的的有害气体浓度是否超过阈值;
  8. 风扇:检测到数据异常时自动开启通风(有害);
  9. 蜂鸣器:用于报警提示(火灾,人体,空气)
  10. 水泵:监测到火灾时开启;
  11. 继电器(空调):自动模式下检测到温度数据异常时自动开启空调;
  12. 继电器(加湿器):自动模式下检测到湿度数据异常时自动开启加湿器(必须在吸水棉有水的情况下使用);
  13. 按键:可以按键控制布控,实现人体监测;

按键1可以开开启和关闭风扇

按键2可以开启和关闭空调(需要满足温度阈值才会开启)

按键3可以一键布控

(2)APP端

  1. 使用MQTT协议与设备进行信息交互;
  2. 可采集到底层设备数据并且展示到界面UI;
  3. 可以远程查看周围是否有人;
  4. 可以远程设置环境的有害气体浓度、温度阈值;
  5. 可以远程查看数据是否超标,界面会出现提示信息;
  6. 可以一键布控监测人体;

(3)云平台使用(需要可以找我获取)

只是链接各个设备使用,采用MQTT即时通讯;

(4)演示视频

通过网盘分享的文件:130.1.智慧民宿环境监测-WiFi.mp4

链接:

https://pan.baidu.com/s/150KW3-f_VRN7mTDYbBHKsQ?pwd=XZY0 提取码: XZY0

--来自百度网盘超级会员v6的分享

二 底层代码使用方式

1 使用说明

(1). 使用的时候设备会自动连接WIFI

热点名字:NET密码:12345678,请使用2.4GHZ频率的无线网。

(多看视频,视频中有完整功能演示)

(多看视频,视频中有完整功能演示)

(多看视频,视频中有完整功能演示)

2 下载程序

  1. 先根据原理图进行连线,连接好以后在做后面的操作
  2. 打开手机热点 热点名字:NET密码:12345678
  3. 打开程序(硬件由工作室出的可以忽略下载程序这部分)

三 APP使用方式

1下载APP

(1)操作方式:

使用Android手机安装APK进行操控

安装Android studio导入项目使用模拟器

官网下载最新版本
https://developer.android.google.cn/studio?hl=zh-cn

安装包(工作室使用版本)链接:

https://pan.baidu.com/s/1DnRGWeJt7XBTmzqHj1KRSQ?pwd=xzy0

提取码:xzy0

安装教程

https://zhuanlan.zhihu.com/p/528196912
(2)使用说明
打开APP后设备会自动订阅MQTT主题,等待1-5秒APP会自动获取到设备上的数据,若5秒内没有获取到设备数据,则请检测设备是否在线,若在线,则请重新打开APP进行数据的获取
(多看视频,视频中有完整功能演示)

(多看视频,视频中有完整功能演示)

(多看视频,视频中有完整功能演示)

四 程序架构及修改(通用)

链接:

https://pan.baidu.com/s/1TZkvdEOp-ERgi-2A1o-KWw?pwd=XZY0

提取码:XZY0
APP参数修改

联系方式 微信号:13648103287

  • 联系方式.docx
    下载
意法半导体

意法半导体

意法半导体(ST)集团于1987年6月成立,是由意大利的SGS微电子公司和法国Thomson半导体公司合并而成。1998年5月,SGS-THOMSON Microelectronics将公司名称改为意法半导体有限公司。意法半导体是世界最大的半导体公司之一,公司销售收入在半导体工业五大高速增长市场之间分布均衡(五大市场占2007年销售收入的百分比):通信(35%),消费(17%),计算机(16%),汽车(16%),工业(16%)。 据最新的工业统计数据,意法半导体是全球第五大半导体厂商,在很多市场居世界领先水平。例如,意法半导体是世界第一大专用模拟芯片和电源转换芯片制造商,世界第一大工业半导体和机顶盒芯片供应商,而且在分立器件、手机相机模块和车用集成电路领域居世界前列.

意法半导体(ST)集团于1987年6月成立,是由意大利的SGS微电子公司和法国Thomson半导体公司合并而成。1998年5月,SGS-THOMSON Microelectronics将公司名称改为意法半导体有限公司。意法半导体是世界最大的半导体公司之一,公司销售收入在半导体工业五大高速增长市场之间分布均衡(五大市场占2007年销售收入的百分比):通信(35%),消费(17%),计算机(16%),汽车(16%),工业(16%)。 据最新的工业统计数据,意法半导体是全球第五大半导体厂商,在很多市场居世界领先水平。例如,意法半导体是世界第一大专用模拟芯片和电源转换芯片制造商,世界第一大工业半导体和机顶盒芯片供应商,而且在分立器件、手机相机模块和车用集成电路领域居世界前列.收起

查看更多

相关推荐