• 方案介绍
  • 附件下载
  • 相关推荐
申请入驻 产业图谱

【物联网毕设】智能鱼缸-STM32+APP+MQTT

09/12 08:59
1233
加入交流群
扫码加入
获取工程师必备礼包
参与热点资讯讨论

联系方式.docx

共1个文件

前言

智能鱼缸监控系统基于STM32开发,通过WiFi(热点NET/12345678)连接云平台,集成温湿度、PH值、浑浊度等传感器,实时监测水质。硬件端采用OLED显示屏显示状态,支持舵机投喂、继电器控制增氧/加热/过滤设备;配套Android APP通过MQTT协议实现远程控制、数据可视化和定时投喂设置。系统包含完整的PCB设计、程序架构及演示视频资源,适用于智能家居场景。技术支持需联系开发者,相关代码和资料可通过网盘获取(提取码XZY0)。

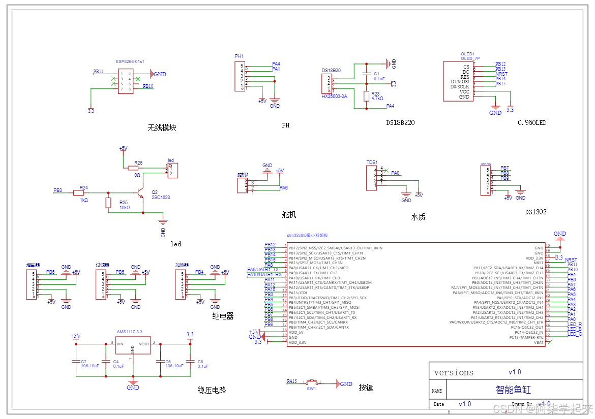
一 连线图

1 原理图


2. 开发板本身自带一个LED ,这个LED作为我们查看网络连接状态和获取数据状态的说明

(1)OLED显示屏中会显示联网状态,若MCU上面的的LED处于闪烁状态,则说明我们的设备处于正常运行,若LED灯不再闪烁,请按复位键将程序手动复位一次

(2)硬件每隔几秒会向APP传输一次数据。

2 PCB效果


关注微信公众号--星之援工作室 发送关键字(项目清单)
可获取项目清单资料

????


????(本文章仅提供思路和实现方法,并不包含代码,需要代码的同学请自行联系博主)

????(有疑问或需要定制或者技术支持等,也请自行联系博主)????


3 实物效果

4 APP效果

5 功能概括

(1)硬件端

  1. DS1302时钟模块:实现设备的对时,并且提供定时投喂功能操作;
  2. STM32做为主控进行数据的控制
  3. 使用舵机控制食物阀门的开关,可使用APP进行远程手动调节
  4. ESP8266:进行无线联网,使设备通过云平台与APP进行通讯,实现远程控制与监测功能
  5. OLED显示屏:显示设备状态以及剩余食物重量,等数据;
  6. DS18B20:温度采集,实时监测水温
  7. 时钟模块:为模块提供时间对时功能
  8. PH传感器:监测水质的PH度
  9. 浑浊度传感器:用于检测水质的浑浊度
  10. LED补光灯:用于给鱼缸照亮,可以远程开启和关闭
  11. 继电器:模拟增氧器的控制,可以远程开启和关闭
  12. 继电器:模拟过滤器的控制,可以远程开启和关闭
  13. 继电器:模拟加热器的控制,可以远程开启和关闭
  14. 按键:可以控制继电器和补光灯的状

短按按键可以开启和关闭补光灯

长按按键可以进入定时界面查看

(2)APP端

  1. 使用MQTT协议与设备进行信息交互。
  2. 可以查看设备的水质数据,并使用ui进行数据显示
  3. 可远程控制食物阀门(舵机)。
  4. 可以远程设置对设备进行时钟对时;
  5. 可以通过手机进行定时投喂的时间进行修改(可设置多个时间点投喂)
  6. 可以远程进行控制设备的继电器(增氧器、加热器、过滤器)与LED状态
  7. 当ph未达标时,会进行弹窗报警

(3)云平台使用

只是链接各个设备使用,采用MQTT即时通讯;

(4)演示视频

通过网盘分享的文件:152.1.智能鱼缸-WiFi.mp4

链接: https://pan.baidu.com/s/1sQWKyeqMex5GiwDpB-w2tA?pwd=XZY0 提取码: XZY0

--来自百度网盘超级会员v6的分享

二 底层代码使用方式

1 使用说明

(1). 使用的时候设备会自动连接WIFI

热点名字:NET密码:12345678,请使用2.4GHZ频率的无线网。

(2). 按键可以直接开始风扇
(多看视频,视频中有完整功能演示)

(多看视频,视频中有完整功能演示)

(多看视频,视频中有完整功能演示)

2 下载程序

  1. 先根据原理图进行连线,连接好以后在做后面的操作
  2. 打开手机热点 热点名字:NET密码:12345678
  3. 打开程序(硬件由工作室出的可以忽略下载程序这部分)


三 APP使用方式

  1. 下载APP

(1)操作方式:

使用Android手机安装APK进行操控

安装Android studio导入项目使用模拟器
官网下载最新版本

https://developer.android.google.cn/studio?hl=zh-cn

安装包(工作室版本)链接:

https://pan.baidu.com/s/1DnRGWeJt7XBTmzqHj1KRSQ?pwd=xzy0

提取码:xzy0

安装教程

https://zhuanlan.zhihu.com/p/528196912
(2)使用说明
打开APP后设备会自动订阅MQTT主题,等待1-5秒APP会自动获取到设备上的数据,若5秒内没有获取到设备数据,则请检测设备是否在线,若在线,则请重新打开APP进行数据的获取
(多看视频,视频中有完整功能演示)

(多看视频,视频中有完整功能演示)

(多看视频,视频中有完整功能演示)

四 程序架构及修改(通用)

链接:

https://pan.baidu.com/s/1TZkvdEOp-ERgi-2A1o-KWw?pwd=XZY0

提取码:XZY0
APP参数修改

联系方式 微信号:13648103287

  • 联系方式.docx
    下载
意法半导体

意法半导体

意法半导体(ST)集团于1987年6月成立,是由意大利的SGS微电子公司和法国Thomson半导体公司合并而成。1998年5月,SGS-THOMSON Microelectronics将公司名称改为意法半导体有限公司。意法半导体是世界最大的半导体公司之一,公司销售收入在半导体工业五大高速增长市场之间分布均衡(五大市场占2007年销售收入的百分比):通信(35%),消费(17%),计算机(16%),汽车(16%),工业(16%)。 据最新的工业统计数据,意法半导体是全球第五大半导体厂商,在很多市场居世界领先水平。例如,意法半导体是世界第一大专用模拟芯片和电源转换芯片制造商,世界第一大工业半导体和机顶盒芯片供应商,而且在分立器件、手机相机模块和车用集成电路领域居世界前列.

意法半导体(ST)集团于1987年6月成立,是由意大利的SGS微电子公司和法国Thomson半导体公司合并而成。1998年5月,SGS-THOMSON Microelectronics将公司名称改为意法半导体有限公司。意法半导体是世界最大的半导体公司之一,公司销售收入在半导体工业五大高速增长市场之间分布均衡(五大市场占2007年销售收入的百分比):通信(35%),消费(17%),计算机(16%),汽车(16%),工业(16%)。 据最新的工业统计数据,意法半导体是全球第五大半导体厂商,在很多市场居世界领先水平。例如,意法半导体是世界第一大专用模拟芯片和电源转换芯片制造商,世界第一大工业半导体和机顶盒芯片供应商,而且在分立器件、手机相机模块和车用集成电路领域居世界前列.收起

查看更多

相关推荐